东升国际官网
首页
企业资质与概况
新闻中心
企业文化
投资者关系
人才招聘
公示栏
联系东升国际官网
EN
公司业务板块
当前地位:
网站首页
>
公司业务板块
>
煤化工领域
新资料领域
城市公共服务领域
高级碳资料领域
煤化工领域
煤基清洁能源领域
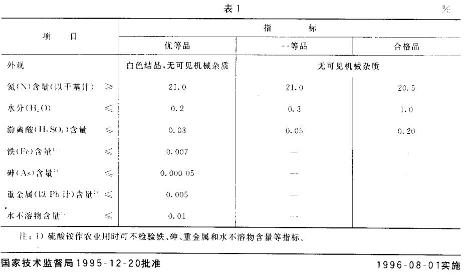
硫酸铵
硫酸铵执行合格品
0464-2924567
分享到:
规格参数
硫酸铵执行合格品
机能表征
硫酸铵执行合格品
?
企业资质与概况
公司概况与资质信息
企业愿景
股份机构
新闻中心
公司新闻
行业新闻
公司业务板块
新资料领域
城市公共服务领域
高级碳资料领域
煤化工领域
煤基清洁能源领域
企业文化
发展理想
社会责任
员工风貌
投资者关系
一时布告
定期布告
董监高
投资者教育
联系东升国际官网
电话:+86-0464-2924567
传真:+86-0464-8346345
地址:黑龙江省七台河市新兴区东升国际官网路16号
服务号二维码
订阅号二维码
Copyright ? 2014-2020 东升国际官网 黑ICP备13000448号-1
黑公网安备23090002000105
【网站地图】
【sitemap】